QSFX-150 Каменотес это устройство для сортировки зерна, использующее разницу в плотности между материалом и соседними камнями. Благодаря сочетанию вибрации стола и воздушного потока, оно эффективно отделяет соседние камни от материала. Его полностью закрытая конструкция с отрицательным давлением эффективно контролирует пыль в цехе, одновременно эффективно удаляя камни и улучшая качество рабочей среды.

1. Экологичность и отсутствие пыли
Полностью закрытая конструкция с отрицательным давлением предотвращает утечку пыли во время работы, значительно улучшая условия труда и соответствуя требованиям экологически безопасного производства.
2. Многофункциональность
Рама и сетка сита быстро заменяются, что позволяет легко обрабатывать различные материалы, такие как пшеница, бобы и кунжут, повышая гибкость и коэффициент использования оборудования.
3. Высокая эффективность и регулируемость
Угол наклона сита и угол вибрации регулируются, что позволяет оптимизировать сортировку в зависимости от характеристик материала, увеличивая производительность и обеспечивая эффективное удаление камней.
4. Стабильная работа
Выходы готовой продукции и камней специально разработаны для плавной и беспрепятственной выгрузки; вся конструкция прочна, что обеспечивает стабильную и надежную работу в течение длительного времени.
5. Простота в эксплуатации
Оснащенный смотровым окном для обратной продувки и регулируемой рукояткой, а также ручным регулятором воздушного клапана, он позволяет удобно и точно регулировать поток воздуха и открытие обратной продувки, упрощая отладку и эксплуатацию.
Применимый диапазон материалов
Зерноочиститель подходит для удаления камней и рафинирования различных зерновых культур, таких как пшеница, рис, кукуруза, маш, соя, фасоль и кунжут.
| Name | De-stoner |
| Model | QSFX-150 |
| Sieve size (mm) | 1500*1085 |
| Power (kw) | 0.65 |
| Capacity (T/H) | 16-22 |
| Weight (T) | 690 |
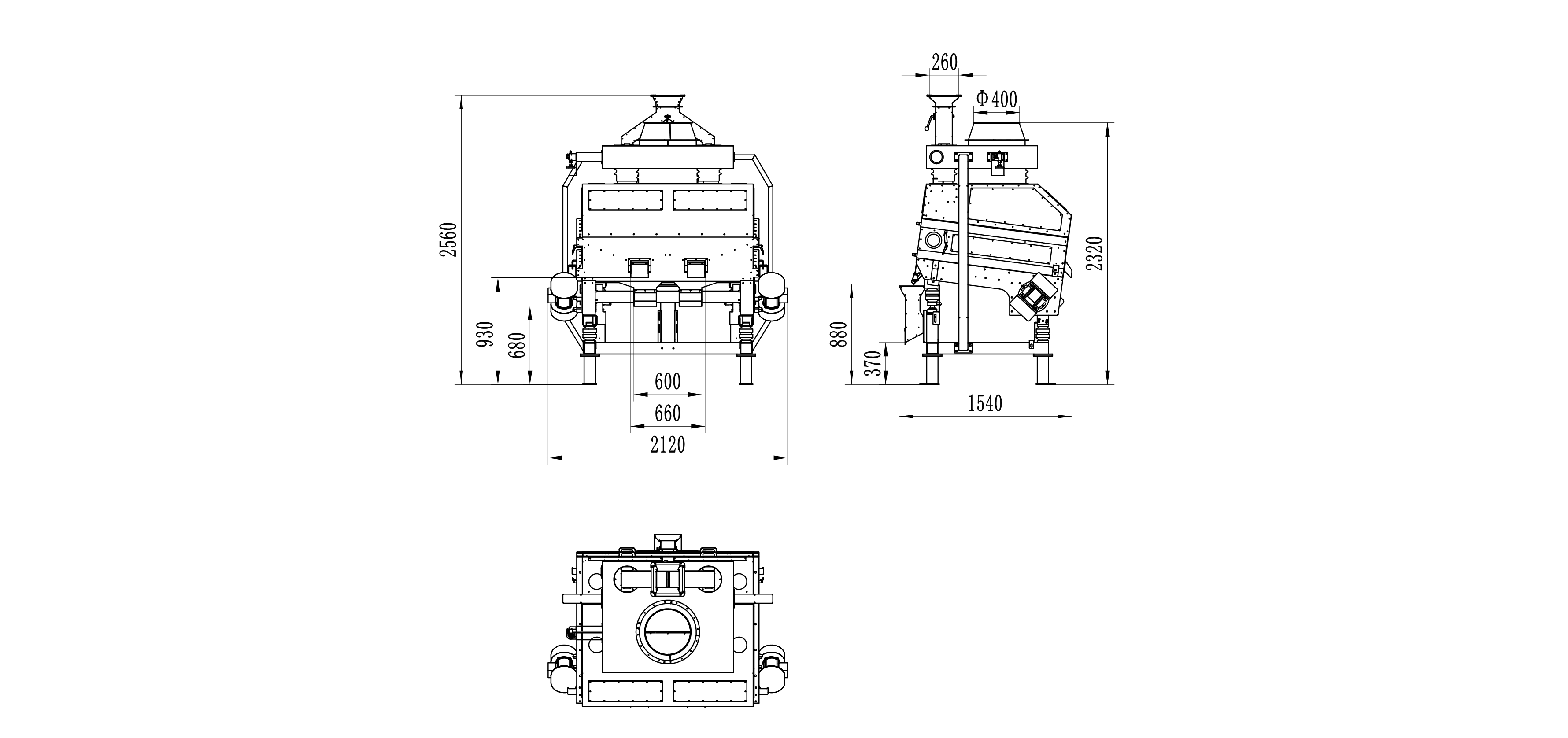
| Overall size L x W x H (mm) | 1540*2120*2560 |
| Remark | Negative pressure |
